С плавным включением и регулировкой освещенности
Герметичный автомат плавного включения и выключения в сумерки ламп накаливания и галогенок.
ОБЩИЕ СВЕДЕНИЯ
Светочувствительное реле предназначено для автоматического включения и отключения только ламп накаливания или галогенных ламп (активной нагрузки) в сумеречное время.
Бесконтактное включение нагрузки.
Включение освещения осуществляется плавным изменением напряжения на выходе прибора от 0 до 210 вольт. Данный режим позволяет продлить срок службы ламп накаливания за счет исключения их холодного старта с большим потребляемым током
― Нулевой гистерезис.
― Индикатор настройки и нагрузки.
― Регулятор порога срабатывания.
― Простой способ установки прибора между источником и потребителем электроэнергии.
― Выключатель вместо сенсора осуществляет плавное включение и отключение световых установок на лампах с нитью накаливания или светодиодных (с возможностью диммирования).
― Прибор используется для наружной установки (Возможна внутренняя установка прибора при подключении выносного сенсора).
ТЕХНИЧЕСКИЕ ХАРАКТЕРИСТИКИ
1. Напряжение сети ― от 30 до 265 В.
2. Номинальная частота ― 50 Гц.
3. Максимальная мощность активной нагрузки ― 2000 Вт (10 А).
4. Предохранитель ― 10 А.
5. Порог срабатывания ― от захода солнца до окончания сумерек.
6. Мощность потребляемая от сети в выключенном состоянии не более 5 Вт.
7. Габаритные размеры ― 115 х 157 х 60 мм.
8. Степень защиты реле ― IP 56.
9. Климатическое исполнение ― УХЛ-1.
10. Масса ― 0.225 кг., в упаковке ― 0.245 кг.
11. Условия эксплуатации при температуре окружающей среды от -30 до +40 С.
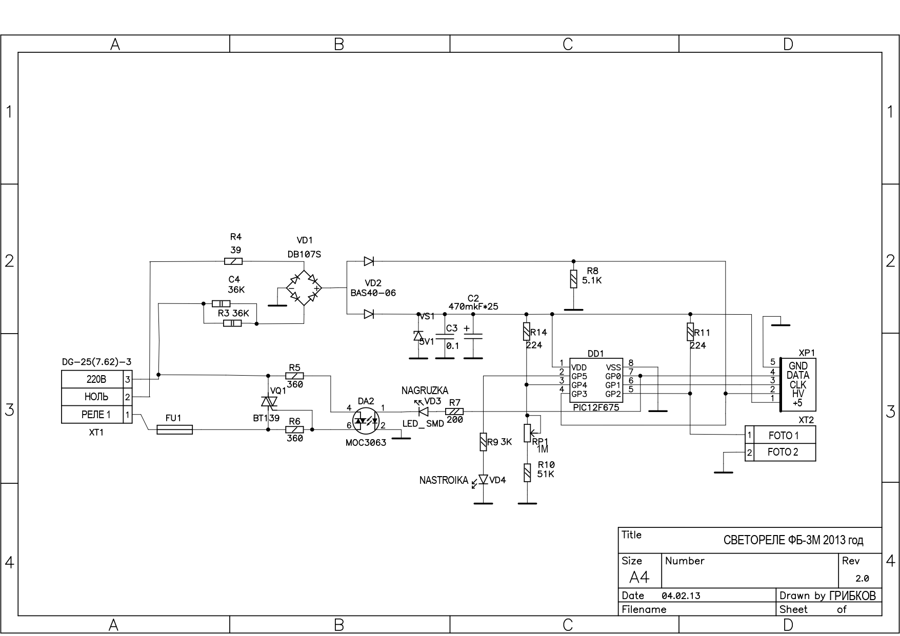
КОНСТРУКЦИЯ И НАСТРОЙКИ
Светочувствительное реле выпускается в герметичном корпусе с присоединением проводов питания и коммутируемых электрических цепей через гермовводы в корпусе прибора.
На плате прибора внутри корпуса расположены:
― регулятор порога уровня освещенности;
― индикатор нагрузки;
― индикатор настройки.
Настройку реле производить в сумеречное время. На выходе прибора всегда 10 вольт.
Поверните регулятор в крайнее правое положение и вращайте плавно влево до включения светодиода "настройка". Индикация сигнализирует о затемнении сенсора. Дальнейшей регулировки не требуется, прибор будет работать в автоматическом режиме.
Задержка включения и выключения 30 секунд
ПОДКЛЮЧЕНИЯ ПРИБОРА
― Разрезать провод идущий к осветительным приборам вне зоны действия освещения, включаемого при помощи сенсора.
― Снять пластиковую крышку прибора.
― Прикрутить прибор на плоскость между разрезанными проводами.
― Диаметр провода должен быть не больше размера гермоввода.
― Зачистить провод и подключить согласно схемы в паспорте изделия.
― При подключении проводов сечением более 2,5 кв.мм использовать наконечники.
― Установить порог срабатывания.
― Закрыть пластиковую крышку.
― Не допускать прямого попадания управляемого освещения и прочих источников света.
― Установка съёмного сенсора отдельно от прибора возможна на расстоянии до 100 метров.
― Для включения в более раннее время, поверните сенсор внутрь прибора.

КОМПЛЕКТ ПОСТАВКИ
1. Реле - 1 шт.
2. Гермоввод - 2 шт.
3. Предохранитель - 1 шт.
4. Паспорт - 1 шт.
5. Упаковка - 1 шт.
УКАЗАНИЕ МЕР БЕЗОПАСНОСТИ
Монтаж, подключение и эксплуатация должны производиться в строгом соответствии с «Правилами эксплуатации электроустановок».
Силовой щит должен быть оборудован устройством принудительного отключения напряжения с защитой от КЗ и перегрузок.
Кабели и провода должны быть надежно заземлены и защищены от попадания воды. При подключение ламп - мощность не должна превышать 2000 Вт. Категорически не допускается установка перемычки вместо предохранителя.
ГАРАНТИЙНЫЕ ОБЯЗАТЕЛЬСТВА
1. Срок гарантийного обслуживания - 24 месяца с момента приобретения.
2. В случае невозможного устранения возникшей неисправности, предприятие произведет замену на аналогичное изделие.
3. Настоящая гарантия не распространяется на изделия, получившие повреждения:
― По причинам, возникшим в процессе установки, освоения или использования изделия неправильным образом;
― При подключении нагрузки превышающей допустимую;
― В случае если изделие было вскрыто или ремонтировалось лицом, не уполномоченным на то предприятием-изготовителем.


